Product Description
High-precision hybrid stepper motors are an enhanced version of standard hybrid stepper motors, designed to offer greater step resolution, improved accuracy, and smoother motion. These motors are ideal for applications that demand fine positioning, minimal vibration, and high repeatability — all without the cost or complexity of a full servo system.
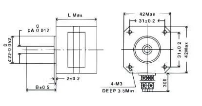
NEMA17 High Precision Hybrid Stepper Motors series are standard 42mm*42mm size. 2 phase with 4 lead wires, 6wires and 3 phase with 3 lead wires. Mainly used for 3D printer, small CNC machine, precision medical equipment which need small size request. They can be mounted with 42mm diameter planetary gearbox to get more output torque.
| Feature | Description |
|---|---|
| Smaller Step Angle | Typically 0.9°/step (400 steps/rev), compared to standard 1.8° (200 steps/rev) |
| Tighter Tolerances | Higher build precision reduces internal play and backlash |
| Optimized Rotor Design | More rotor teeth and finer pole alignment improve step accuracy |
| Better Damping | Reduces overshoot and mechanical resonance |
| Microstepping Capable | Supports fine control via drivers (up to 256 microsteps per step or more) |
Motor Performance data:
Step Accuracy: 1.8°/step±0.09°
Temperature Rise: 80℃
Ambient Temperature Range :-20 - 55
Insulation Resistance: 100MΩ MIN 500V DC
Output shaft option: D shape,round shape, key,pinion
Mountings option: encoder, brake, planetary gearbox
| Specification | Typical Range |
|---|---|
| Step Angle | 0.9°, 1.8°, or microstepped to 0.01° or less |
| Holding Torque | 0.1 – 5 Nm (depends on size) |
| Resolution | Up to 25,600 steps/rev (with microstepping driver) |
| Phases | 2-phase (common), 3- or 5-phase for ultra precision |
| Frame Size | NEMA 8 to NEMA 34 |
High Positioning Accuracy
Ideal for applications needing exact repeatability
Smoother Motion
Reduced vibration at low speeds and better micro-movement control
No Need for Feedback (Optional)
Can deliver excellent results even in open-loop mode
Quiet Operation
Useful for labs, medical, and consumer devices
Cost-Effective vs Servo
Delivers servo-like precision at a lower cost
• 3D Printers (high-resolution layer printing)
• CNC Engraving Machines
• Precision Medical Devices
• Optical Instrumentation
• Camera Gimbal Systems
• Semiconductor Equipment
• Pick-and-Place Systems
| Feature | Standard Hybrid Stepper | High Precision Hybrid Stepper |
|---|---|---|
| Step Angle | 1.8° | 0.9° or less |
| Microstepping Resolution | Medium | High (up to 256 microsteps) |
| Target Applications | General-purpose | Precision-critical systems |
| Cost | Lower | Slightly higher |
If you're considering high precision hybrid stepper motors for a project, feel free to tell me your specific application or motion requirements (torque, voltage, step resolution, etc.), and I can help recommend the right model or configuration.
|
Series Model |
Shaft diameter(mm) |
shaft length(mm) |
Features |
||||
|
SL42S234A2 |
5 |
18 |
flat shape 4.5*18 |
||||
|
SL42S234A3 |
5 |
23 |
flat shape 4.5*23 |
||||
|
SL42S240A8 |
5 |
24 |
flat shape 4.8*20 |
||||
|
SL42S240B1 |
5 |
13 |
Round shape 5*13 |
||||
|
SL42S247A1 |
5 |
24 |
flat shape 4.5*20 |
||||
|
SL42S260A |
5 |
24 |
flat shape 4.5*20 |
||||
|
Series Model |
Motor Length |
Related current |
Phase Resistance |
Phase Inductance |
Holding Torque |
Lead wire |
Motor Weight |
|
(mm) |
(A) |
(Ω) |
(mH) |
(N.cm) |
(Number) |
(kg) |
|
|
|
|
|
|
|
|
|
|
|
SL42S234A2 |
34 |
1 |
4.8 |
5.4 |
32 |
4 |
0.2 |
|
SL42S234A3 |
34 |
0.5 |
27.9 |
34.9 |
34 |
4 |
0.2 |
|
SL42S240A8 |
40 |
1.3 |
3.5 |
5.5 |
37 |
6 |
0.28 |
|
SL42S240B1 |
47 |
1 |
8.2 |
12 |
42 |
4 |
0.28 |
|
SL42S247A1 |
60 |
1.7 |
3.71 |
6.2 |
67 |
4 |
0.36 |
|
SL42S260A |
60 |
1.5 |
4.8 |
11 |
86 |
4 |
0.47 |
|
Series Model |
Shaft diameter(mm) |
shaft length(mm) |
Features |
||||
|
SL42S335A |
5 |
22 |
round shape |
||||
|
SL42S340A |
5 |
22 |
round shape |
||||
|
SL42S350A |
5 |
22 |
round shape |
||||
|
Series Model |
Motor Length |
Related current |
Phase Resistance |
Phase Inductance |
Holding Torque |
Lead wire |
Motor Weight |
|
(mm) |
(A) |
(Ω) |
(mH) |
(N.cm) |
(Number) |
(kg) |
|
|
|
|
|
|
|
|
|
|
|
SL42S335A |
35 |
1.5 |
4.2 |
2.7 |
0.16 |
3 |
0.5 |
|
SL42S340A |
40 |
1.5 |
4.8 |
3 |
0.22 |
3 |
0.75 |
|
SL42S350A |
50 |
1.5 |
5.8 |
5 |
0.32 |
3 |
1.1 |
Size Drawing:

Tags
View More