Product Description
Motor Performance data:
Vol: 12-48V DC
Rated Speed: 3200-7000RPM
Rated Power: 30W-60W
Insulation Class: B F H
Typical model performance
|
Type |
Voltage |
No-load |
load |
|||||
|
|
Voltage |
Rated |
Speed |
Current |
Speed |
Current |
P |
Max Eff. |
|
|
Range |
Voltage |
|
|
|
|
|
(%) |
|
|
(V) |
(V) |
(RPM) |
(A) |
(RPM) |
(A) |
(W) |
|
|
BL75-01 |
22-26/DC |
24/DC |
7700 |
1.2 |
6800 |
3.2 |
54 |
71 |
|
BL75-02 |
10-14/DC |
12/DC |
4000 |
0.9 |
3200 |
3.6 |
30 |
70 |
|
BL75-03 |
44-52/DC |
48/DC |
4000 |
0.3 |
3200 |
0.9 |
30 |
72 |
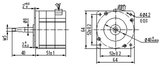
Size Drawing:

Tags
View More