Product Description
Performance data:
Vol: 1.2-24V DC
Gear Ratio: 30-1012
Output Speed:4-300RPM
Output Power: 0.3-20W
Insulation Class: A B F H
Typical model performance
|
Type |
Ratio |
Load Performance |
Stall |
|||||
|
|
|
|
|
|
|
|
|
|
|
|
|
Vol |
Current |
Speed |
Torque |
Out Power |
Stall Current |
Stall Torque |
|
|
|
(V) |
(A) |
(RPM) |
(Kg-cm) |
(W) |
(A) |
(Kg-cm) |
|
GM48-500 |
1012 |
12 |
0.16 |
1 |
4.9 |
0.06 |
0.48 |
20 |
|
GM48-520 |
225 |
24 |
0.45 |
27 |
9.64 |
2.59 |
1.34 |
38.5 |
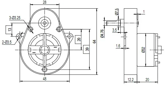
Size Drawing:
