Product Description
The APH072 is a compact, high-torque cycloidal speed reducer from PJM Automation. It uniquely combines a size-72 harmonic-drive style housing (90 mm diameter) with a single-stage cycloidal mechanism. This design delivers rated output torque of 60–90 Nm (with peak torque ≈3× rated) in a very small footprint. The cycloidal gearset evenly distributes loads across multiple pins, yielding exceptional robustness and shock-load resistance. At the same time the precision profile gives virtually zero backlash (≤10 arcmin) and very smooth, repeatable motion. These features make the APH072 ideal for precision automation and robotics where high torque density, accuracy and rigidity are required.
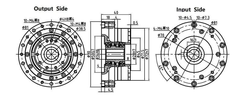
| Parameter | Specification |
| Model | APH072 |
| Reduction Ratios | 25:1, 49:1 (customizable: 13:1 to 79:1) |
| Rated Output Torque | 60 Nm (25:1), 90 Nm (49:1) |
| Peak Torque | Up to 3× rated torque |
| Transmission Type | Single-stage cycloidal |
| Output Shaft | Solid shaft (optional: hollow shaft, dual shaft) |
| Mounting Orientation | Horizontal (vertical available on request) |
| Motor Interface | Flange type interface for servo/stepper motors |
| Backlash | ≤10 arcmin (near-zero) |
| Housing Size | Harmonic-compatible, 90 mm OD (size 72 housing) |
| Lubrication | Long-life grease (custom options available) |
| Protection Level | IP standard (upgradable to IP65/IP67) |
| Life Time | 20000 Hours |
| Working Temperature | -25℃-90℃ |

Custom Gear Ratios: Bespoke reduction ratios from 13:1 up to 79:1 can be supplied to match specific speed/torque requirements.
Shaft Configurations: Available with solid keyed output, hollow output (for through-shafts), or dual outputs as needed for your mechanism.
Motor Flanges and Couplings: Choice of motor-to-gearbox flanges and shaft adapters to mate with most servo/stepper motors or actuators.
Mounting Flanges and Interfaces: Custom mounting faces (e.g. foot, face, or rear flange) can be designed for easy integration.
Sealing & Protection: Upgradable to higher IP ratings (IP65/IP67) and special seals for harsh environments.
Lubrication: Options for long-life grease, special lubricants, or pre-filled/maintenance-free versions.
Cycloidal Pin-Wheel Mechanism: Multi-lobed cam and pin engagement shares torque over many teeth, giving very high torque capacity and shock-resistance.
Even Load Distribution: The cycloidal disc's motion distributes forces across multiple contact points, reducing stress on any single tooth. The result is excellent overload and impact resistance and long life.
High-Strength Materials: Core components (eccentric cam, pins, housing) are made of hardened alloy steel with precision heat-treatment for durability and fatigue resistance.
Coaxial In-Line Design: Input and output shafts are co-axial, saving space and simplifying integration. The low-profile 90 mm housing fits compact installations.
Near-Zero Backlash: Precision manufacturing yields minimal clearance (≤10 arcmin), effectively zero backlash. This provides very smooth motion and high position accuracy.
High Rigidity and Smoothness: Rolling-element motion and tight tolerances give high torsional stiffness and low vibration, ideal for precise positioning.
Modular Construction: The APH072's design is modular – flanges, shafts and attachments can be rapidly swapped or customized to customer needs, shortening lead time for special configurations.
Industrial Robotics: Compact robot arms and 6-axis manipulators demand high torque in tight spaces; the APH072 is ideal for these actuators. Its high precision and stiffness suit both heavy-duty robots and sensitive cobots.
Collaborative Robot Joints: Precision motion and safe operation in cobots benefit from the APH072's smooth, backlash-free drive and high overload capacity.
AGVs and Mobile Platforms: Automated guided vehicles and mobile robots can use the APH072 for wheel drives or steering, where its high torque density and compact size improve maneuverability.
Precision CNC & Motion Systems: In CNC machine tools, indexing tables, rotary tables or precision positioning systems, the APH072 provides high accuracy and rigidity. Its low backlash and stiffness help maintain tight tolerances.
Automation Equipment: In assembly machines, packaging systems or material handling, any application needing a compact, robust reducer with high torque and low lost-motion can benefit from this cycloidal drive.
Tags
View More