Product Description
Performance data:
Vol./Freq: 100-240v 50/60Hz
Rated Speed:5000-20000RPM
Rated Input Power: 500-1500W
Insulation class: A B F H
Typical model performance
|
Type |
Length |
Vol/Frequency |
Current |
P1(input power) |
Speed |
Torque |
P2(output power) |
Eff. |
|
|
(mm) |
(V/Hz) |
(A) |
(W) |
(RPM) |
(mN.m) |
(W) |
(%) |
|
U9820 |
20 |
230/50 |
1.37 |
300 |
9000 |
187 |
176 |
58.7 |
|
U9825 |
25 |
230/50 |
1.83 |
400 |
9000 |
261 |
246 |
61.5 |
|
U9830 |
30 |
230/50 |
2.75 |
600 |
10000 |
364 |
381 |
63.5 |
|
U9835 |
35 |
230/50 |
3.65 |
800 |
9000 |
556 |
524 |
65.5 |
|
U9840 |
40 |
230/50 |
4.6 |
1000 |
9500 |
684 |
680 |
68 |
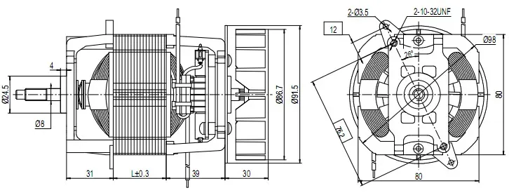
Size Drawing:

Tags
View More